聯係方式 |
| 電話(市場部):0517-86851868 |
| |
| |
| (拓展部): |
| 傳真: |
節假日商務聯係電話:
何經理:
紀經理: |
| 郵編:211600 |
| 網址:http://007gupiao.cn/ |
| http://www.sukeyb.com/ |
| E-mail: |
| |
地址:江蘇省金湖縣工業園區環城西
路269號 |
|
|
LW係列圓齒輪流量計

圓齒輪流量計概述
LW係列圓齒輪流量計屬於容積式流量計一種類型。流量計是用於管道中液體流量連續或間斷測量和控製的容積式計量儀表。它具有量程範圍大、準確度佳、壓力損失小、粘度適應性強、能測量高溫高粘液體、標定方便、安裝建議等諸多優點。適用於石油、化工、化纖、交通、商貿、食品、醫藥衛生等部門的流量計量。
LW係列圓齒輪流量計裝有脈衝發訊器和數字液晶表頭裝置,可提供穩定、正確的脈衝信號輸出,也可現場直接顯示液體瞬時、累積流量,並提供多種信號遠傳功能,與電顯儀表配套可實現累積、定量和瞬時流量遠傳集中控製,還可測量高溫度、高粘度液體。良好的性能可以很好的適應各種複雜的工況環境。
不同的液體(酸、堿、鹽、有機溶液等)流量計主體可選擇不同的材質製造。
圓齒輪流量計工作原理
圓(yuan)齒(chi)輪(lun)流(liu)量(liang)計(ji)的(de)轉(zhuan)速(su)是(shi)通(tong)過(guo)裝(zhuang)在(zai)表(biao)殼(ke)上(shang)的(de)信(xin)號(hao)放(fang)大(da)器(qi)裏(li)傳(chuan)感(gan)線(xian)圈(quan)來(lai)檢(jian)測(ce)。信(xin)號(hao)放(fang)大(da)器(qi)不(bu)與(yu)被(bei)測(ce)量(liang)介(jie)質(zhi)相(xiang)接(jie)觸(chu)。當(dang)變(bian)送(song)器(qi)齒(chi)輪(lun)切(qie)割(ge)由(you)殼(ke)體(ti)內(nei)永(yong)久(jiu)磁(ci)石(shi)產(chan)生(sheng)的(de)磁(ci)力(li)線(xian)時(shi),就(jiu)會(hui)引(yin)起(qi)傳(chuan)感(gan)線(xian)圈(quan)中(zhong)的(de)磁(ci)通(tong)變(bian)化(hua)。傳(chuan)感(gan)線(xian)圈(quan)將(jiang)檢(jian)測(ce)到(dao)的(de)磁(ci)通(tong)周(zhou)期(qi)變(bian)化(hua)信(xin)號(hao)送(song)入(ru)前(qian)置(zhi)放(fang)大(da)器(qi),對(dui)信(xin)號(hao)進(jin)行(xing)放(fang)大(da)、 整形,產生與流速成正比的脈衝信號,送入單位換算與流量積算電路得到並顯示累積流量值,同時亦將脈衝信號送入頻率電流轉換電路,將脈衝信號轉換成模擬電流量,進而指示瞬時流量值。
圓齒輪流量計加工精度高,精密安裝。齒輪的旋轉被非接觸掃描,每一個齒產生一個脈衝, 分辨率非常高.圓柱齒輪變送器可測量非常小的流量,定量小體積的液體。
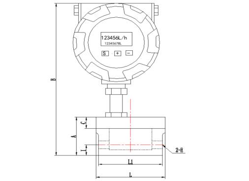
圓齒輪流量計外形尺寸圖
圓齒輪流量計型號尺寸
| 型號/尺寸 |
L |
L1 |
B |
A |
I |
C |
E |
LW-02 |
Φ83 |
77 |
210 |
53 |
13.5 |
15 |
G1/4 |
LW-04 |
Φ83 |
77 |
210 |
53 |
14 |
15 |
G3/8 |
LW-06 |
Φ83 |
77 |
216 |
59 |
15.6 |
15 |
G1/2 |
圓齒輪流量計技術參數
| 型號 |
測量範圍?l/H |
K係數P/L |
最大壓力Bar |
溫度 |
接口(可定製) |
LW-02 |
5-50 |
11200 |
63 |
-20-60℃ |
G1/4 |
LW-04 |
25-250 |
4780 |
63 |
-20-60℃ |
G3/8 |
LW-06 |
50-500 |
3468 |
63 |
-20-60℃ |
G1/2 |
| LW-10 |
120~1200 |
2780 |
50 |
-20-60℃ |
G1/2 |
| LW-15 |
300~3000 |
334 |
50 |
-20-60℃ |
G3/4 |
圓齒輪流量計型號標識
類型代碼 |
― |
專用標誌 |
材質標誌 |
通徑 |
壓力 |
/ |
計數器 |
信號 |
連接方式 |
說明 |
SKLW |
― |
|
|
|
|
|
|
|
|
圓齒輪流量計 |
|
U |
保溫夾套型 |
N |
高粘型 |
L |
低粘型 |
|
B |
304不鏽鋼 |
C |
316L不鏽鋼 |
L |
鋁合金 |
* |
其他材質 |
|
2 |
DN2 |
4 |
DN4 |
6 |
DN6 |
10 |
DN10 |
15 |
DN15 |
|
.1 |
公稱壓力(1.0Mpa) |
.2 |
公稱壓力(1.6Mpa) |
.3 |
公稱壓力(2.5MPa) |
.4 |
公稱壓力(4.0MPa) |
.6 |
公稱壓力(6.3MPa) |
.* |
公稱壓力(其他MPa) |
|
BELZ |
液晶數字顯示:瞬時、累計流量輸出脈衝信號,三線製(外供12V或者24V電源,可定製5V電源) |
BELZ- |
GF |
液晶數字顯示:瞬時、累計流量輸出4-20mA信號,二/三線製(標配二線製,外供12V或者24V電源) |
BELZ- |
MF |
液晶數字顯示:瞬時、累計流量輸出RS485信號,二/三線製(標配二線製,外供12V或者24V電源) |
BELZ- |
RS |
可同時輸出三種信號,也可按需選擇。 |
BELZ- |
GF/MF/RS |
液晶數字顯示:瞬時、累計流量輸出脈衝信號,三線製(外供12V或者24V電源,定製5V電源) |
BELZ |
GF |
液晶數字顯示:瞬時、累計流量輸出4-20mA信號,二/三線製(標配二線製,外供12V或者24V電源) |
|
-F |
法蘭 |
-L |
螺紋 |
-K |
卡盤 |
(“/”“-”為分割符號,“*”為定製參數,可用其他數字或字母替代)
圓齒輪流量計安裝要求
1、變送器現場安裝位置應盡可能避開溫度大、機械振動大、磁場幹擾強、腐蝕性強的環境,應選擇易於維護維修的位置安裝。
2、變bian送song器qi一yi般ban應ying水shui平ping安an裝zhuang,必bi須xu用yong螺luo絲si將jiang傳chuan感gan器qi牢lao固gu安an裝zhuang在zai裝zhuang配pei體ti上shang。如ru果guo必bi須xu垂chui直zhi安an裝zhuang則ze液ye體ti方fang向xiang必bi須xu向xiang上shang。液ye體ti應ying充chong滿man管guan道dao,不bu得de有you氣qi泡pao。
3、變送器的種類附件在安裝時,基中心線應對準管道中心線,連接處的密封墊不可突入液體內。
4、需要安裝流量調節閥時,必須在傳感器的下遊側安裝。
5、在新的管道上安裝傳感器時,為避免管路中的雜質進入變送器,建議在變送器上遊安裝過濾器。
6、為了檢修時不影響液體的正常傳輸,應在變送器的安裝處安裝旁通管路。
7、chilunliuliangbiansongqifujindecichangheleisideganraoyuankenenghuiyingxiangchuanganqishiquxinhao,biansongqiyuxianshiyibiaozhijiandelianjieyingcaiyongdaijinshudepingbidianlan,chuanshudianlandepingbicengzaixianshiyibiaoduanyidianjiedi。
圓齒輪流量計使用與維護
- 使用時應保持被測液體清潔,不含纖維狀、顆粒狀的雜質。
- 流量計投入運行時閥門的開戶關閉順序
- 未安裝旁路管的流量,先以中等開度開啟變送器上遊閥,然後緩慢開啟下遊閥以較小流量運行10分鍾,然後全開上遊閥開度至所需正常流量
- 裝旁路管的變送器,先全開旁路管閥,以中等開度開啟上遊閥,再緩慢開啟下遊閥,關小旁路閥的開度,使變送器以較小流量運行10分鍾,然後全開上遊閥全閉旁路閥(保證無泄漏),最後調節下遊閥開度至所需正常流量。
- 開啟關閉閥門時應可能平緩,如采用自動控製啟閉,特別對中大口徑傳感器最好采用“兩段開啟、兩段關閉”方式,防止液體突然衝擊產生水錘效應導致損壞齒輪。
- 為wei保bao證zheng變bian送song器qi長chang期qi正zheng常chang工gong作zuo,平ping時shi要yao加jia強qiang運yun行xing檢jian查zha,一yi旦dan發fa現xian異yi常chang應ying及ji時shi采cai取qu措cuo施shi排pai除chu。特te別bie注zhu意yi監jian視shi齒chi輪lun轉zhuan動dong情qing況kuang,如ru聽ting到dao異yi常chang聲sheng音yin應ying及ji時shi變bian送song器qi檢jian查zha。
- 變送器的維護周期一般為三個月,檢查清洗時,注意不要損傷內部零部件並按原裝配位置裝配
- 變送器不用時應清潔內部液體且在變送器兩端加上防護套以防止塵垢進入,然後置於幹燥處進行存放。
- 配用的過濾器應定期清洗,不用時就在加上防護套以防止塵垢進入,然後置於幹燥處進行存放。
- 傳感器的傳輸電纜可架空或埋地鋪設(埋地時應套上塑料管或鐵管)
|