聯係方式 |
| 電話(市場部):0517-86851868 |
| |
| |
| (拓展部): |
| 傳真: |
節假日商務聯係電話:
何經理:
紀經理: |
| 郵編:211600 |
| 網址:http://007gupiao.cn/ |
| http://www.sukeyb.com/ |
| E-mail: |
| |
地址:江蘇省金湖縣工業園區環城西
路269號 |
|
|
 |
您現在的位置 > 首頁 > 行業新聞 > 孔板流量計與差壓計的聯接測量液體 |
孔板流量計與差壓計的聯接測量液體 |
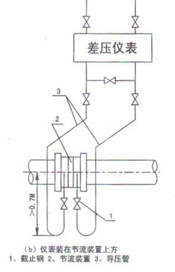
儀表安裝位置:
- 孔板流量計最好安裝有節流裝置的下方,這樣可以防止液體中的氣體進入導壓管和儀表內,如圖八(a)所示。如果儀表不得不安裝在節流裝置上方時,為了減少液體中的氣體進入導管和儀表內,則應在節流裝置和導壓管之間裝有U型彎管,且彎頭下端至少應低於輸送管道中心線0.7米,如圖八(b)所示。
 
- 取壓:
在水平或傾斜的工藝輸送管道上,如果將取壓口開在節流裝置上方,導壓管內積聚氣體;ruguokaizaijieliuzhuangzhixiafang,jiangshichendianwuluorudaoyaguannei。yincidaoyaguanyingzijieliuzhuangzhijiemiandeshuipingzhongxinxianliangduanshuipingyinchuhuozishuipingzhongxinxianliangduanxiangxiaxiaoyu45°引出。
|
|