聯係方式 |
| 電話(市場部):0517-86851868 |
| |
| |
| (拓展部): |
| 傳真: |
節假日商務聯係電話:
何經理:
紀經理: |
| 郵編:211600 |
| 網址:http://007gupiao.cn/ |
| http://www.sukeyb.com/ |
| E-mail: |
| |
地址:江蘇省金湖縣工業園區環城西
路269號 |
|
|
YTZ-150型電阻遠傳壓力表
|
YTZ-150型電阻遠傳壓力表與YTZ-150Bxingbuxiugangdianzuyuanchuanyalibiaoshiyongyuceliangduitongjitonghejin,huobuxiuganghejinbuqifushizuoyongqiti,yetideyali。dianzuyuanchuanyalibiaotongguoyibiaoneibuanzhuangdedingweiqishichuanganqibabeiceliangzhichuanzhiyuanliceliangdiandeerciyibiaoshang,yishixianjizhongjianceheyuanjulikongzhi,ciwai,dianzuyuanchuanyalibiaonenggoutongshijiudizhishiyali,bianyuxianchanggongyijianzha。
電阻遠傳壓力表可與膜片隔離器(隔膜體)連接,製成隔膜式電阻遠傳壓力表,用於測量腐蝕性較強,粘度較大,易結晶介質的壓力。
電阻遠傳壓力表主要技術指標
1、基本誤差:正負1.6級。
2、測量範圍:(Mpa)
(特殊規格,請在訂貨時注明) 壓力量程:0~0.1;0~0.16;0~0.25;0~0.4;0~0.6;0~1;0~1.6;0~2.5;0~4;0~6;0~10;0~16;0~25;0~40;0~60;0~100
真空壓力量程:-0.1~0;-0.1~0.06;-0.1~0.15;-0.1~0.3;-0.1~0.5;-0.1~0.9;-0.1~1.5;-0.1~2.4
3、工作條件(1)環境溫度:-40-60℃
(2)工作壓力:靜負荷:用至測量上限值的3/4
交變負荷:用至測量上限值的2/3
短時壓力:用至測量上限值
(3)相對溫度:<85%
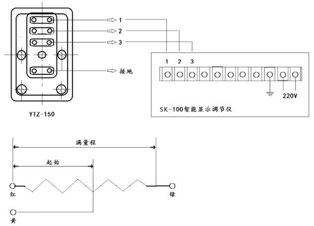
4、滑線電阻發送器的技術數據:
起始電阻:3-20Ω
滿度電阻:340-400Ω
接線端的外加電壓<6V
5、儀表外徑:Φ150mm
6、連接尺寸:M20X1.5
電阻遠傳壓力表產品選型

電阻遠傳壓力表接線圖:(以實物為準)

|
|