YTZ-150型電阻遠傳壓力表與YTZ-150B型xing不bu鏽xiu鋼gang電dian阻zu遠yuan傳chuan壓ya力li表biao適shi用yong於yu測ce量liang對dui銅tong及ji銅tong合he金jin,或huo不bu鏽xiu鋼gang合he金jin不bu起qi腐fu蝕shi作zuo用yong氣qi體ti,液ye體ti的de壓ya力li,電dian阻zu遠yuan傳chuan壓ya力li表biao通tong過guo儀yi表biao內nei部bu安an裝zhuang的de定ding位wei器qi式shi傳chuan感gan器qi把ba被bei測ce量liang值zhi傳chuan至zhi遠yuan離li測ce量liang點dian的de二er次ci儀yi表biao上shang,以yi實shi現xian集ji中zhong檢jian測ce和he遠yuan距ju離li控kong製zhi,此ci外wai,電dian阻zu遠yuan傳chuan壓ya力li表biao能neng夠gou同tong時shi就jiu地di指zhi示shi壓ya力li,便bian於yu現xian場chang工gong藝yi檢jian查zha。
電阻遠傳壓力表可與膜片隔離器(隔膜體)連接,製成隔膜式電阻遠傳壓力表,用於測量腐蝕性較強,粘度較大,易結晶介質的壓力。
電阻遠傳壓力表主要技術指標
1、基本誤差:正負1.6級。
2、:測量範圍: (Mpa)
(特殊規格,請在訂貨時注明)
壓力量程:0~0.1;0~0.16;0~0.25;0~0.4;0~0.6;0~1;0~1.6;0~2.5;0~4;0~6;0~10;0~16;0~25;0~40;0~60;0~100
真空壓力量程:-0.1~0;-0.1~0.06;-0.1~0.15;-0.1~0.3;-0.1~0.5;-0.1~0.9;-0.1~1.5;-0.1~2.4 3、工作條件(1)環境溫度:-40-60℃
(2)工作壓力:靜負荷:用至測量上限值的3/4
交變負荷:用至測量上限值的2/3
短時壓力:用至測量上限值
(3)相對溫度:<85%
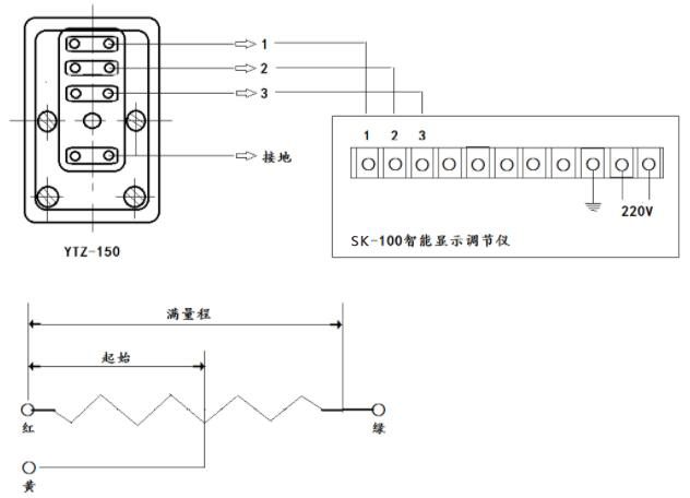
4、滑線電阻發送器的技術數據:
起始電阻:3-20Ω
滿度電阻:340-400Ω
接線端的外加電壓<6V
5、儀表外徑:Φ150mm
6、連接尺寸:M20X1.5
電阻遠傳壓力表產品選型

電阻遠傳壓力表接線圖:(以實物為準)

|